| 3.Technical specifications | |||
| Product Model : | HFLQ220-25-3 | ||
| Rated Voltage Un | 220VAC 48~62Hz | ||
| Maximum Continuous Operating Voltage Uc | 320VAC | ||
| Rated Operating Current | 5A | ||
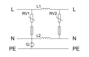
| Protection Mode | 1+1 Full Protection | ||
| Nominal Discharge Current In(8/20μs) | 10kA | ||
| Maximum Discharge Current Imax (8/20μs) | 25kA | ||
| Open Circuit Test Voltage | 20kV (1.2/50μs Combined Wave) | ||
| Voltage Protection Level Up | 1200V (10kA 8/20μs Current Wave) | ||
| 950V (4kV 1.2/50μs Combined Wave) | |||
| Interface Type | External Lead Wires | ||
| Flammability Rating | UL94 V-0 | ||
| Installation Method | Screw Mounting (M4) | ||
| Enclosure Protection Rating | IP65 | ||
| Certifications | CE, TUV, UL | ||
| 4. Principle of Protection | |||

