| Technical Parameters | |||
| Product Model | MHX600B75(K/J) | ||
| Operating Voltage | 5V | ||
| Data Transfer Rate | 10 Mbps | ||
| Impulse Current Capacity | 3kA(8/20us) | ||
| Clamping Voltage (3kA, 8/20μs) | Wire-to-Shell | ≤25V | |
| Shell-to-Ground | ≤500V | ||
| Protection Voltage (1kV/μs) | Wire-to-Shell | ≤25V | |
| Shell-to-Ground | ≤600V | ||
| Port Characteristics | 75Ω | ||
| Port Model | BNC | ||
| Dimensions (mm) | 46x25x25 | ||
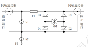
Principle of Protection

