| Technical Parameters | ||||
| No. | Item | Technical parameters | Remark | |
| 1 | Product Model | POE4 | ||
| 2 | Power Supply Input Voltage Range (POWER IN) | 85~264VAC | 50/60Hz | |
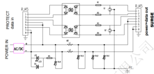
| 3 | Data Input Protection Terminal (PROTECT data in) | 1/2&3/6 (for data) | 4/5&7/8 (for nothing) | |
| Maximum Transmission Rate | 100Mbps | |||
| Rated Operating Voltage | 1.4V | 1/2&3/6 for Data | ||
| Maximum Operating Voltage | 3.0V | |||
| Insertion Loss | ≤0.5dB | |||
| 4 | Maximum Output Power (SURGE power) | 40W | ||
| Rated Output Voltage | 53VDC | 4/5(+)&7/8(-)for Power | ||
| Output Ripple and Noise | ≤120mVp-p | |||
| Nominal Discharge Current – In | 3kA | 8/20us | ||
| Nominal Conduction Voltage (Line-to-Line, Line-to-Ground) | 82V+10% | 4/5&7/8 | ||
| Limiting Voltage – Up | Line-to-Line | ≤150V | 8/20us 3kA | |
| Line-to-Ground | ≤300V | |||
| 5 | Nominal Discharge Current – In (SURGE data out) | 3kA | 8/20μs | |
| Nominal Conduction Voltage | Line-to-Line | ≥3.6V | 1/2&3/6 for Data | |
| Line-to-Ground | 90 V+20% | |||
| Limiting Voltage – Up | Line-to-Line | ≤15V | 8/20us 3kA | |
| Line-to-Ground | ≤500V | |||
| 6 | Flame Retardant Rating | V0 | ||
| 7 | Operating Indicator Light | Light on: Normal ; Light Off: Fault | power | |
| 8 | Maximum Weight | 400G | ||
Principle of Protection

