| Technical specifications | |||
| Product Model : | JK-220A-D05 | ||
| Power Supply Voltage | 220V AC | ||
| Control Signal | 5V | ||
| Rated Discharge Current (8/20μs) | 5KA | ||
| Max Discharge Voltage Level (8/20μs) | 10kA(power port), 5kA (control port) | ||
| Voltage Protection Level | 27kV (power port), 10kV (control port) | ||
| Insertion loss: | ≤0.5dB | ||
| Transmission rate: | ≤1000Mbps | ||
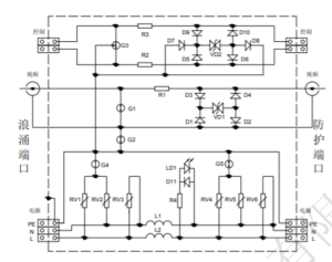
Principle of Protection

