| Technical Parameters | |||
| Product Model | MHX100RJ45-1 | ||
| Operating Voltage | 3VDC | ||
| Nominal Conduction Voltage (100V/S) | Wire-to-Wire | 3.6V~6V | |
| Wire-to-Ground | 90V±20% | ||
| Voltage Protection Level (10/700μs) | Wire-to-Wire | ≤40V | |
| Wire-to-Ground | ≤700V | ||
| Nominal Discharge Current (8/20μs) | (Wire-to-Wire | 3kA | |
| Maximum Transmission Rate | 100Mbps | ||
| Insertion loss | ≤0.3dB | ||
| Interface Type | RJ45(F) | ||
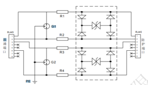
| Protection Form (4-wire Protection) | 1-2 wires, 3-6 wires | ||
Principle of Protection

