3.Technical Parameters
| Item | Specification |
|---|---|
| Product Model | POE-3 |
| Signal Interface | |
| Maximum Transmission Rate | 1000Mbps |
| Rated Operating Voltage | 5.0V |
| Insertion Loss | 0.5dB |
| Maximum Distributed Capacitance | 10pF |
| Nominal Surge Current-In (Line-to-Line, Line-to-Ground) | 3.0kA (8/20us) 10/1700μs, 4kV |
| Voltage Protection Level-Up (8/20us 3.0kA) | Line-to-Line: ≤15V Line-to-Ground: ≤350V |
| Power Interface | |
| Rated Operating Voltage | 48V |
| Maximum Continuous Operating Voltage | 60V |
| Rated Load Current | 0.7A |
| Nominal Discharge Current-In | 3.0kA (8/120us) |
| Voltage Protection Level – Up (8/20us 3.0kA) | Line-to-Line: ≤100V Line-to-Ground: ≤350V |
| Interface Type | RJ45 |
| Flame Retardancy Rating | UL94V-0 |
| Protection Level | IP20 |
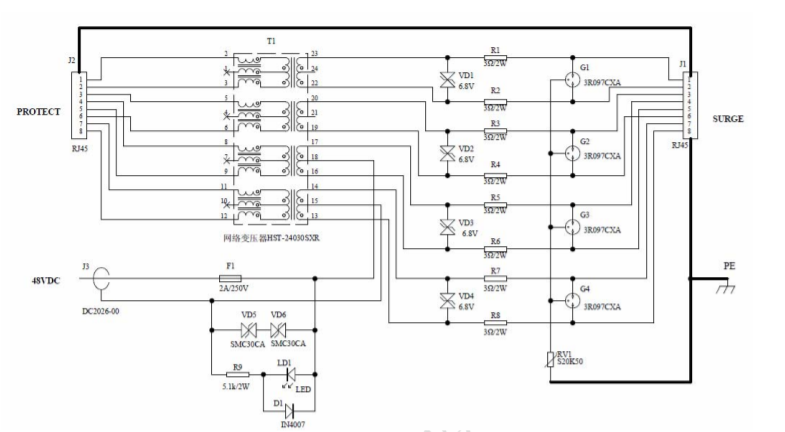
4. Principle of Protection

