3.Technical Parameters
| Item | Specification | |
|---|---|---|
| Product Model | X3C-15 | |
| Rated Operating Voltage | 15VDC | |
| Maximum Operating Voltage | 17VDC | |
| Maximum Working Current | 450mA | |
| Nominal Discharge Current | 5kA (8/20μs) | |
| Maximum Discharge Current | 10kA (8/20μs) | |
| Voltage Protection Level | Differential Mode | 30V (5kA,8/20μs) |
| Common Mode | 500V (5kA,8/20μs) | |
| Maximum Transmission Power (Rate) | 10Mbps | |
| Insertion Loss | ≤0.5dB | |
| Series Resistance | 2.2Ω | |
| Port Wiring Capacity (Flexible Cable) | 28~12AWG (Stranded wire) | |
| Enclosure Flame Retardant Rating | UL94 V-0 | |
| Maximum Weight | 70g | |
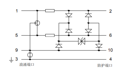
4. Principle of Protection

